Описание
       
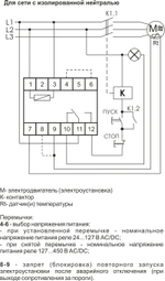
         Отличительные особенности: Регулируемый порог сопротивления и гистерезиса. Напряжение питания 24-127В/127-420В AC/DC. Контакт 1NO/NC, 16 А. Назначение Для защиты от перегрева посредством контроля температуры: электродвигателей, генераторов, трансформаторов. Особенности: Индикация режимов работы. Широкий диапазон питающих напряжений Возможность блокировки повторного запуска Регулируемый гистерезис Регулируемый верхний порог сопротивления Область применения Термочувствительная защита электродвигателей предпочтительней в тех случаях, когда по току невозможно определить с достаточной точностью температуру электродвигателя. Это касается, прежде всего, электродвигателей с продолжительным периодом запуска, частыми операциями включения и отключения (повторно-кратковременный режим работы) или двигателей с регулируемым числом оборотов (при помощи преобразователей частоты). Термисторная защита эффективна также при сильном загрязнении электродвигателей или выходе из строя системы принудительного охлаждения. Следующей областью применения термисторной защиты является температурный контроль в трансформаторах, жидкостях и подшипниках для их защиты от перегрева. Принцип работы Если температура и напряжение питания в пределах нормы, контакты исполнительного реле замкнуты, и питание электроустановки включено (замкнуты контакты 11-12). С возрастанием температуры установки сопротивление цепи датчиков возрастает, и при превышении значения R+H питание отключается (замыкаются контакты 10-11). Реле включается автоматически при понижении температуры     установки (сопротивление цепи датчиков менее R), если повторное включение не запрещено (запрет осуществляется установкой перемычки между контактами 8-9). Реле отключается также при понижении сопротивления цепи датчиков ниже 100 Ом (короткое замыкание) и при отключении питания. Датчики  соединяются последовательно.
       
     Характеристики
       Вид изделия
                     
                     
                       
                         Реле защиты электродвигателей,
                       
                         Реле защиты двигателя
                       
                     
                   Бренд
                     
                     
                       
                         ЕвроАвтоматика
                       
                     
                   Номинальный ток, А
                     
                     
                       
                         16
                       
                     
                   Способ монтажа
                     
                     
                       
                         на DIN-рейку
                       
                     
                    
       
                           
                           
                           
                           
                           
                           
                           
             
             
             
             
             
             
             
            