Описание
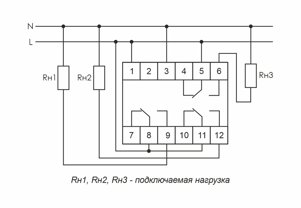
Отличительные особенности: Многофункциональное, напряжение питания 100-265 AC/DC, диапазон выдержки времени 0,1 с – 24 суток, контакт 3NO/NC, максимальный коммутируемый ток 3x8 А, 4 функции. Назначение Для включения/ выключения потребителей в системах автоматики на заданный отрезок времени. Особенности Многофункциональное (4 функции). Принцип работы Включение нагрузки на время t (A): после подачи напряжения питания контакты переключаются в положения 5-6, 8-9, 11-12, по истечении установленного времени t контакты возвращаются в положения 4-5, 7-8, 10-11. Задержка включения (В): после подачи напряжения питания контакты исполнительного реле остаются в положениях 4-5, 7-8 и 10-11 и начинается отсчет времени работы t, по истечении которого переключаются в положения 5-6, 8-9 и 11-12 и в таком положении остаются до отключения питания. Циклическая работа с задержкой выключения (С): после подачи напряжения питания контакты переключаются в положения 5-6, 8-9, 11-12, по истечении установленного времени t контакты возвращаются в положения 4-5, 7-8, 10-11 на время t, после чего циклы повторяются до отключения питания. Циклическая работа с задержкой включения (D): работа начинается с задержки включения реле на время t, затем циклическая работа происходит аналогично функции С.
Характеристики
Вид изделия
Таймер,
Реле времени
Бренд
ЕвроАвтоматика
Способ монтажа
на DIN-рейку
