Описание
       
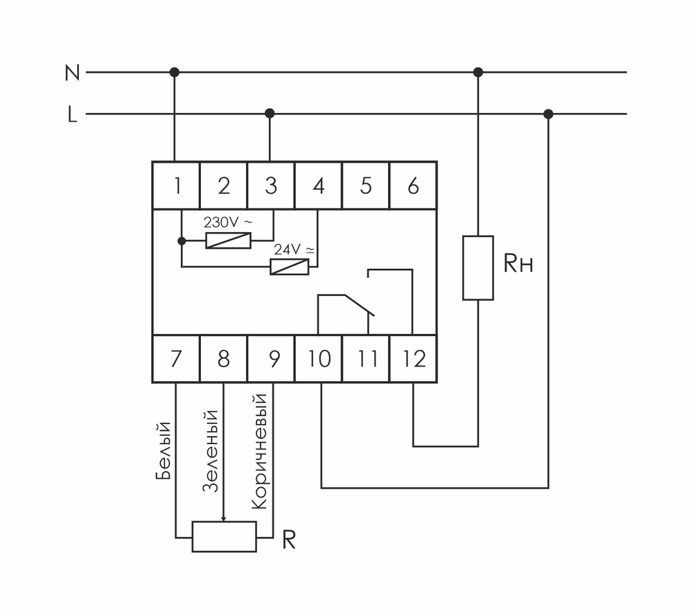
         Отличительные особенности: Многофункциональное – 4 функции. С выносным потенциометром точной установки времени. Напряжение питания 230 В (50 Гц), 24 В АС/DC. Диапазон выдержки времени 0,1 с – 24 суток. Контакт 1NO/NC, 8 А. Назначение Для включения/ выключения потребителей в системах автоматики на заданный отрезок времени. Область применения В вентиляционных, отопительных, осветительных, сигнализационных и т.п. системах, где необходимо включение нагрузки на установленный отрезок времени. Особенности Многофункциональное (4 функции). Выносной потенциометр. Принцип работы Включение нагрузки на время t (A): после подачи напряжения питания контакты переключаются в положения 10-12, по истечении установленного времени t контакты возвращаются в положение 10-11. Задержка включения (В): после подачи напряжения питания контакты исполнительного реле остаются в положении 10-11 и начинается отсчет времени работы t, по истечении которого переключаются в положение 10-12 и в таком положении остаются до отключения питания. Циклическая работа с задержкой выключения (С): после подачи напряжения питания контакты переключаются в положение 10-12, по истечении установленного времени t контакты возвращаются в положение 10-11 на время t, после чего циклы повторяются до отключения питания. Циклическая работа с задержкой включения (D): работа начинается с задержки включения реле на время t, затем циклическая работа происходит аналогично функции С.
       
     Характеристики
       Вид изделия
                     
                     
                       
                         Таймер,
                       
                         Реле времени
                       
                     
                   Бренд
                     
                     
                       
                         ЕвроАвтоматика
                       
                     
                   Способ монтажа
                     
                     
                       
                         на DIN-рейку
                       
                     
                    
       
                           
                           
                           
                           
                           
                           
                           
             
             
             
             
             
             
             
             
             
             
             
             
             
            