Описание
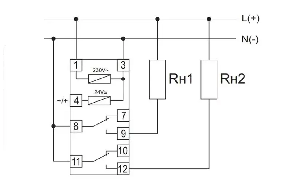
Назначение Для включения/выключения потребителей в системах автоматики через заданный отрезок времени. Область применения В вентиляционных, отопительных, осветительных, сигнализационных и т.п. системах, где необходимо включение нагрузки после подачи напряжения и отсчета выдержки времени. Принцип работы После включения питания и отсчёта установленной выдержки времени включается реле, замыкаются контакты 8-9, 11-12 и в таком положении остаются до отключения питания. Для повтора цикла работы необходимо отключение напряжения питания и подача его повторно.
Характеристики
Вид изделия
Таймер,
Реле времени
Бренд
ЕвроАвтоматика
Способ монтажа
на DIN-рейку
