Характеристики
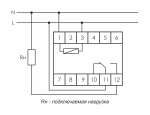
Вид изделия
Таймер,
Реле времени
Бренд
ЕвроАвтоматика
Способ монтажа
на DIN-рейку
