Описание
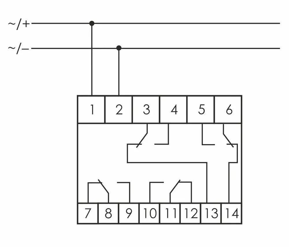
Назначение Для гальванической развязки между силовыми цепями и цепями управления, дистанционного включения нагрузки путем подачи управляющего напряжения на обмотку реле, а также использования в качестве промежуточного. Область применения Применяется в системах автоматики, управления, контроля и т.п. Принцип работы При подаче напряжения на клеммы 1, 2 происходит коммутация релейного выхода.
Характеристики
Вид изделия
Реле промежуточное,
Реле электромагнитное
Бренд
ЕвроАвтоматика
Напряжение, В
12
Способ монтажа
на DIN-рейку
