Описание
       
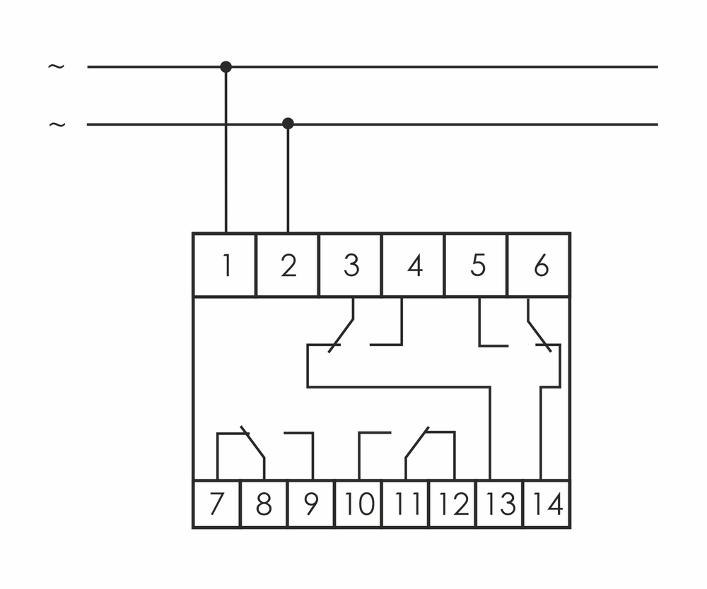
         Технические характеристики Схема подключения Руководство на релеНапряжение питания 110 В AC. Контакт 4NO/NC, 4x8 А. Назначение Для гальванической развязки между силовыми цепями и цепями управления, дистанционного включения нагрузки путем подачи управляющего напряжения на обмотку реле, а также использования в качестве промежуточного. Область применения Применяется в системах автоматики, управления, контроля и т.п. Принцип работы При подаче напряжения на клеммы 1, 2 происходит коммутация релейного выхода.
       
     Характеристики
       Вид изделия
                     
                     
                       
                         Реле промежуточное,
                       
                         Реле электромагнитное
                       
                     
                   Бренд
                     
                     
                       
                         ЕвроАвтоматика
                       
                     
                   Напряжение, В
                     
                     
                       
                         110
                       
                     
                   Способ монтажа
                     
                     
                       
                         на DIN-рейку
                       
                     
                    
       
                           
                           
                           
                           
                           
                           
                           
             
             
             
            