Описание
       
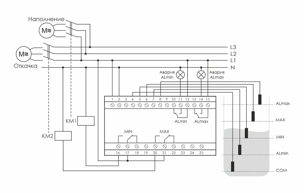
         Назначение Реле контроля уровня PZ-832 предназначено для контроля и поддержания заданного уровня токопроводящих жидкостей в резервуарах, бассейнах, водонапорных башнях и т.п. и управления электродвигателями насосных установок. Для контроля уровня реле использует кондуктометрический способ. Для измерения уровня неэлектропроводных жидкостей и сыпучих материалов применяются поплавковые либо другие датчики, предназначенные для данных целей. Область применения Применяется в системах автоматики и защиты управления сливом или наполнением резервуаров. Особенности - четыре уровня контроля жидкости; - напряжение питания 230 В, 50 Гц; - регулируемый диапазон сопротивления 1…100 кОм; -  контакт 4NO/NC, максимальный ток нагрузки: 2х8 А (аварийный уровень), 2х16 А (контрольный уровень); - с зондами PZ2 в комплекте (5 шт.). Принцип работы Реле имеет четыре канала контроля уровня: два аварийных - нижний ALmin и верхний ALmax и два контрольных - MIN и МАХ уровня. Дополнительные аварийные уровни предназначены для контроля от переполнения (опустошения) резервуара. При достижении жидкостью в емкости определенного уровня замыкается электрод зонда (зонд ALmin, зонд MIN, зонд MAX, зонд ALmax) с электродом зонда COM, в среде жидкости протекает электрический ток, приводя к срабатыванию реле по каждому из аварийных и контрольных уровней. Настройка чувствительности зондов осуществляется регулировкой входного сопротивления реле на лицевой панели изделия). Зонды питаются переменным напряжением, имеют гальваническую развязку от сети питания и контактов управления нагрузкой.
       
     Характеристики
       Вид изделия
                     
                     
                       
                         Реле контроля уровня
                       
                     
                   Бренд
                     
                     
                       
                         ЕвроАвтоматика
                       
                     
                   Номинальный ток, А
                     
                     
                       
                         16
                       
                     
                   Напряжение, В
                     
                     
                       
                         220
                       
                     
                   Способ монтажа
                     
                     
                       
                         на DIN-рейку
                       
                     
                    
       
                           
                           
                           
                           
                           
                           
                           
             
             
             
             
             
             
             
             
             
             
             
             
             
             
             
             
             
             
             
            