Описание
       
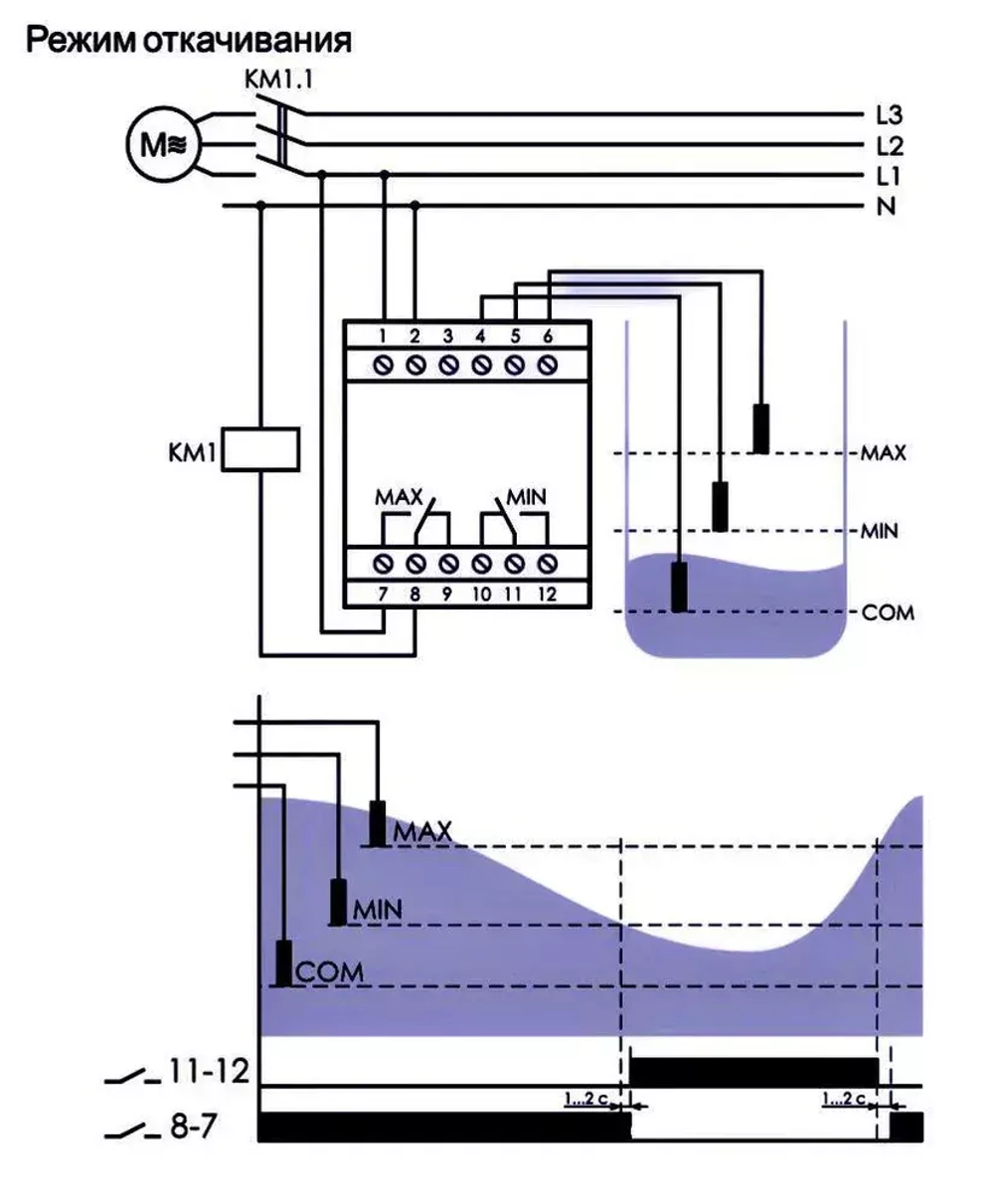
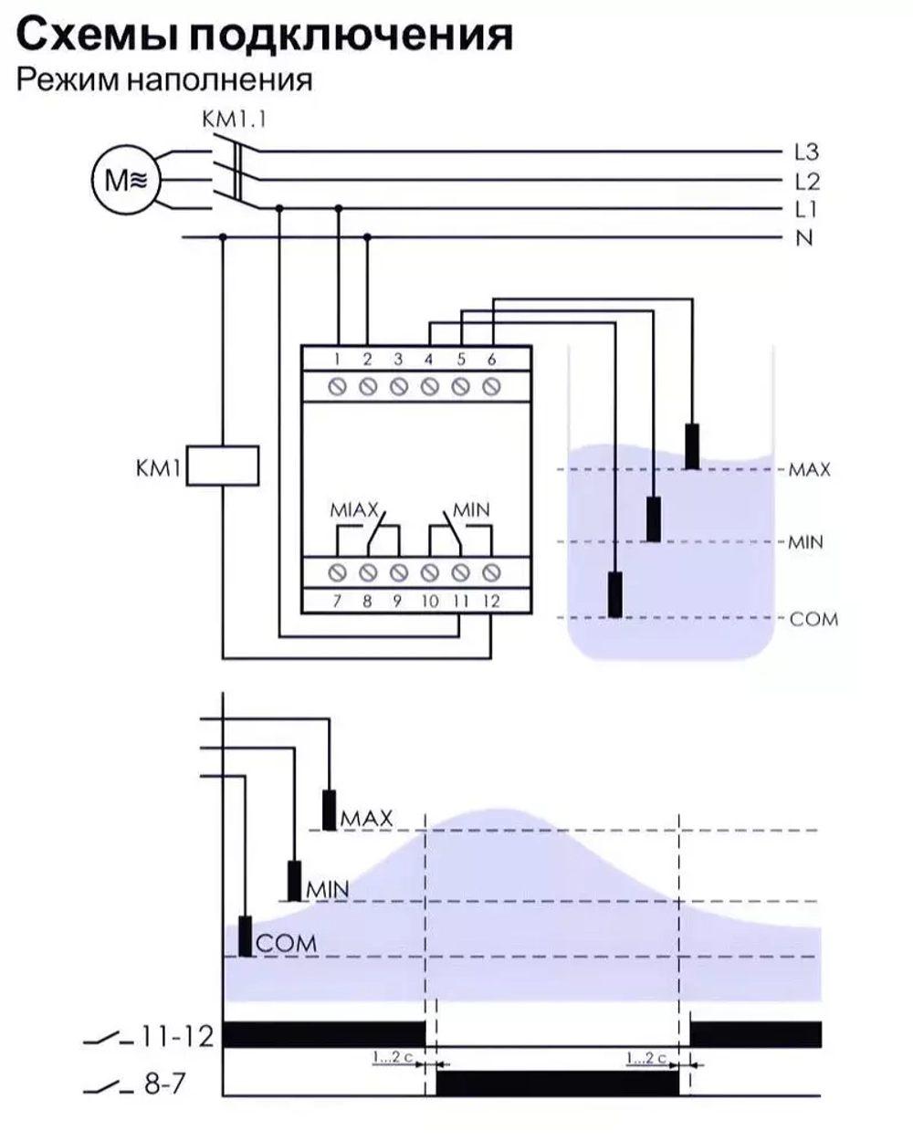
         Назначение Реле контроля уровня PZ-829 предназначено для контроля и поддержания заданного уровня токопроводящих жидкостей в резервуарах, бассейнах, водонапорных башнях и т.п. и управления электродвигателями насосных установок. Для контроля уровня реле использует кондуктометрический способ. Для измерения уровня неэлектропроводных жидкостей и сыпучих материалов применяются поплавковые либо другие датчики, предназначенные для данных целей. Особенности - два уровня контроля жидкости: минимальный, максимальный; - напряжение питания 230 В, 50 Гц; - регулируемый диапазон сопротивления 1…100 кОм; -  контакт 2NO/NC, максимальный ток нагрузки 2х16 А; - без зондов в комплекте. Область применения Применяется в системах автоматики и защиты управления сливом и наполнением резервуаров. Принцип работы Принцип работы кондуктометрических датчиков основан на том, что при достижении жидкостью в емкости определенного уровня, рабочая жидкость замыкает электрод зонда (MAX, MIN) с электродом зонда COM, в цепи протекает электрический ток, приводя к срабатыванию реле. Настройки чувствительности зондов под конкретный тип жидкости осуществляется регулировкой входного сопротивления реле (регулятор SENS. на лицевой панели изделия). Зонды уровня питаются переменным напряжением, имеют гальваническую изоляцию от сети питания и контактов управления нагрузкой.
       
     Характеристики
       Вид изделия
                     
                     
                       
                         Реле контроля уровня
                       
                     
                   Бренд
                     
                     
                       
                         ЕвроАвтоматика
                       
                     
                   Номинальный ток, А
                     
                     
                       
                         16
                       
                     
                   Напряжение, В
                     
                     
                       
                         220
                       
                     
                   Способ монтажа
                     
                     
                       
                         на DIN-рейку
                       
                     
                    
       
                           
                           
                           
                           
                           
                           
                           
             
             
             
             
             
             
             
             
             
             
             
             
             
             
             
             
             
             
             
            