Описание
       
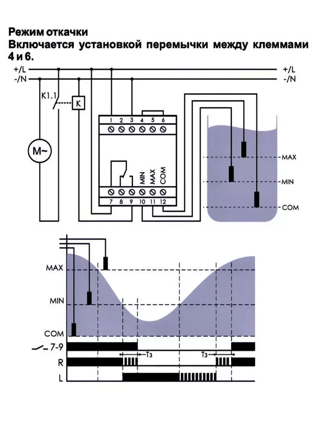
         Назначение Реле контроля уровня PZ-818 предназначено для контроля и поддержания заданного уровня токопроводящих жидкостей в резервуарах, бассейнах, водонапорных башнях и т.п. и управления электродвигателями насосных установок. Для контроля уровня реле использует кондуктометрический способ. Для измерения уровня неэлектропроводных жидкостей и сыпучих материалов применяются поплавковые либо другие датчики, предназначенные для данных целей. Особенности - два уровня контроля жидкости: минимальный, максимальный; - напряжение питания 24…264 В, АС/DC; - регулируемый диапазон времени включения/отключения 0,5…10 секунд; - раздельная регулировка чувствительности зондов по верхнему и нижнему уровню жидкости в диапазоне сопротивлений от 5…150 кОм; -  контакт 1NO/NC, максимальный ток нагрузки 8 А; - без зондов уровня в комплекте. Область применения Применяется в системах автоматики и защиты управления сливом и наполнением резервуаров. Принцип работы Принцип работы кондуктометрических датчиков основан на том, что при достижении жидкостью в емкости определенного уровня, рабочая жидкость замыкает электрод зонда (MAX, MIN) с электродом зонда COM, в цепи протекает электрический ток, приводя к срабатыванию реле. Настройка чувствительности зондов осуществляется регулировкой входного сопротивления реле (регулировка SH и SL на лицевой панели изделия) раздельно по верхнему и нижнему уровню контролируемой жидкости. Зонды уровня питаются переменным напряжением, имеют гальваническую изоляцию от сети питания и контактов управления нагрузкой.
       
     Характеристики
       Вид изделия
                     
                     
                       
                         Реле контроля уровня
                       
                     
                   Бренд
                     
                     
                       
                         ЕвроАвтоматика
                       
                     
                   Напряжение, В
                     
                     
                       
                         220
                       
                     
                   Способ монтажа
                     
                     
                       
                         на DIN-рейку
                       
                     
                    
       
                           
                           
                           
                           
                           
                           
                           
             
             
             
             
             
             
             
             
             
             
             
            