Описание
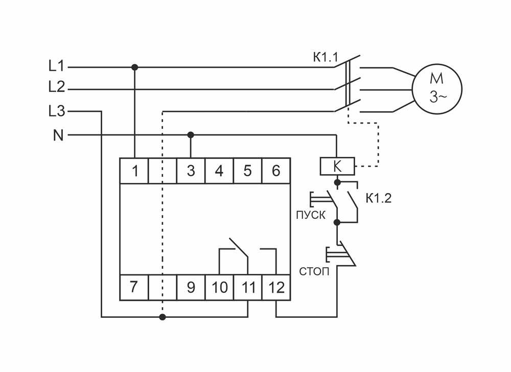
Отличительные особенности: Регулируемый диапазон контролируемого тока в пределах 4…30 А. Контакт 1NO/NC, 16 А. Диаметр сквозного канала Ø 5 мм. Назначение Предназначено для непрерывного контроля величины переменного тока в цепи питания и защиты одно и трехфазных электродвигателей от перегрузки по току при электрических и технологических перегрузках (увеличение тока при понижении или повышении напряжения питания, заклинивании ротора, увеличении нагрузки на валу и т. п.) Область применения Применяется в системах релейной защиты и автоматики в качестве устройства, реагирующего на отклонение силы переменного тока в контролируемой цепи питания нагрузки. При аварийной перегрузке по току реле автоматически размыкает и через время задержки включения замыкает цепь питания нагрузки, предотвращая выход из строя при воздействии неблагоприятных эксплуатационных факторов. Принцип работы Реле измеряет величину переменного тока, потребляемого электродвигателем, с помощью встроенного трансформатора тока. Если номинальный ток потребления электродвигателя не превышает установленный Iдвиг. ≤ Iном. (значение Iном. выбирается регулировкой на лицевой панели) замкнут контакт исполнительного реле, на катушку контактора подано напряжение, электродвигатель подключен к сети питания. При увеличении тока потребления двигателя сверх установленного Iдвиг. > Iном. контакты исполнительного реле размыкаются, снимается питание с катушки контактора и электродвигатель отключается от сети питания с задержкой времени Toff. Время отключения Toff зависит от отношения тока потребления электродвигателя при перегрузке – Iдвиг. к установленному - Iном. (токовременная характеристика, далее – ТВХ). Изменение Toff производится потенциометром на лицевой панели в пределах 2-25 секунд (значение шкалы соответствует времени отключения при двухкратной перегрузке (Iдвиг. / Iном = 2). Рост потребления тока электродвигателем приводит к росту отношения Iдвиг./Iном., что уменьшает время задержки отключения, двигатель отключается быстрее. После отключения, связанного с перегрузкой по току, повторное включение электродвигателя произойдет через время задержки повторного включения Ton. Особенности - напряжение питания 230 В, 50 Гц; - регулируемый диапазон контролируемого тока 4…30 А; - контакт 1NO/NC; - гальваническая развязка между исполнительным реле (сухой контакт) и цепью питания; - диаметр сквозного канала Ø 5 мм; - максимальный коммутируемый ток нагрузки 16 А.
Характеристики
Вид изделия
Реле контроля тока
Бренд
ЕвроАвтоматика
Номинальный ток, А
16
Напряжение, В
220
Способ монтажа
на DIN-рейку
