Описание
       
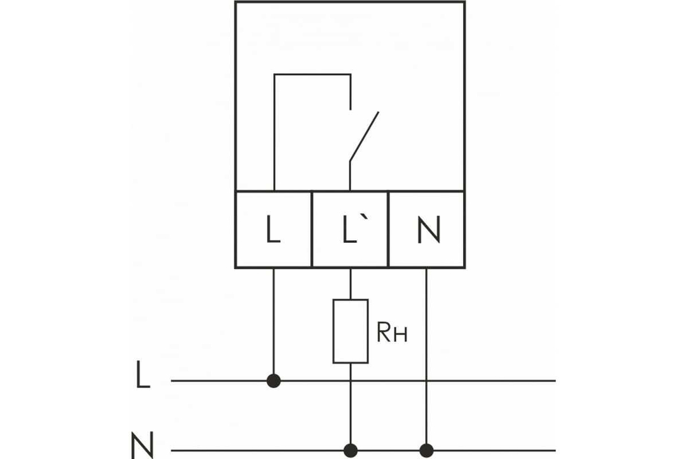
         Отличительные особенности: Напряжение питания 100-450 В, контакт 1NO, 63 А, встроенный таймер. Регистрация аварий в памяти. индикация текущего напряжения Назначение Реле контроля напряжения CP-721-1 предназначено для защиты электроустановок, электроприборов и прочего электронного оборудования от повышенного или пониженного напряжения, обрыва нулевого провода, регистрации предельных значений напряжения, а также типа произошедшей аварии, контроля величины напряжения в питающей однофазной сети переменного тока. Защита осуществляется путем отключения нагрузки от сети питания. Принцип работы Контакт реле замкнут и нагрузка включена, если контролируемое напряжение находится в установленном диапазоне. Диапазон (верхнее и нижнее значения) устанавливается посредством кнопок на лицевой панели. Повторное включение реле (после отключения) происходит автоматически, через установленное время, после восстановления сетевого напряжения. В случае восстановления после отсутствия напряжения время АПВ увеличивается на величину времени готовности устройства. Область применения Защита однофазных сетей.Для защиты бытовой техники и приборов от перепадов напряжения в квартирах и жилых домах. В общественных организациях, кинотеатрах, компьютерных залах, супермаркетах, школах, больницах, чтобы защитить дорогостоящее электроприборы от неисправностей.
       
     Характеристики
       Вид изделия
                     
                     
                       
                         Реле контроля напряжения
                       
                     
                   Бренд
                     
                     
                       
                         ЕвроАвтоматика
                       
                     
                   Номинальный ток, А
                     
                     
                       
                         63
                       
                     
                   Способ монтажа
                     
                     
                       
                         на DIN-рейку
                       
                     
                    
       
                           
                           
                           
                           
                           
                           
                           
             
             
             
             
             
             
             
             
             
             
             
             
             
             
             
             
             
             
             
            