Описание
       
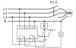
         Отличительные особенности: Асимметрия 40-80 В, минимальное напряжение 160 В, максимальное напряжение 260 В, задержка отключения 0,5-15 с, контакт 1NO, 1NC. Контакты реле позволяют выдавать информацию об аварийном отключении Назначение Реле контроля фаз CKF-BT предназначено для защиты электродвигателей и электроустановок, подключенных к  трёхфазной сети, в случаях: 1. Отсутствия хотя бы одной из фаз. 2. Асимметрии напряжения. 3. Повышения напряжения более 260 В. 4. Снижения напряжения менее 160 В. 5. Нарушения чередования фаз. 6. Обрыв нулевого провода. Область применения Применяется для защиты электродвигателей и электроустановок, питаемых от трехфазной сети. Принцип работы Если напряжение в пределах нормы, контакты исполнительного реле 5, 6 замкнуты и на катушку контактора управления электродвигателем подается напряжение, управляющее его включением. В случае одной из вышеперечисленных аварийных ситуаций контакты реле размыкаются и контактор отключается. Во втором случае выключение происходит с регулируемой задержкой 0,5-15 секунд. В случае 4 изделие выключается с задержкой 5 секунд. В случаях 1, 3, 5, 6 изделие выключается с задержкой 0,1 секунды. Включение происходит автоматически после восстановления сетевого напряжения питания.
       
     Характеристики
       Вид изделия
                     
                     
                       
                         Реле контроля напряжения
                       
                     
                   Бренд
                     
                     
                       
                         ЕвроАвтоматика
                       
                     
                   Способ монтажа
                     
                     
                       
                         на DIN-рейку
                       
                     
                    
       
                           
                           
                           
                           
                           
                           
                           
             
             
             
             
             
             
             
             
             
             
             
             
             
             
             
            