Описание
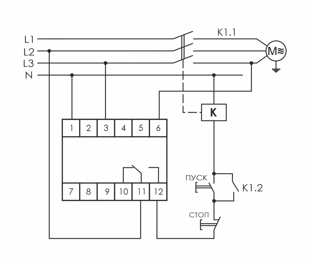
Отличительные особенности: Контроль сопротивления изоляции в обмотках электродвигателей, трансформаторов и т.п. в одно- и трехфазных сетях переменного тока. Назначение Предназначено для контроля сопротивления изоляции в обмотках двигателей, трансформаторов и т.п. в одно и трехфазных сетях переменного тока. Область применения Защита промышленных установок, электродвигателей, трансформаторов и другого электрооборудования от включения при повреждении изоляции. Особенности - диапазон контроля сопротивления изоляции 0,5…1 мОм; - гальваническая развязка между исполнительными реле (сухой контакт) и цепью питания; - максимальный ток нагрузки 16 А. Принцип работы Реле контролирует предпусковое состояние сопротивления изоляции электрооборудования по определённым нормативным параметрам, заданным при помощи регулируемого потенциометра. Если параметры изоляции в норме, контакты реле контроля изоляции замкнуты, включение электрооборудования разрешено. При нарушении сопротивления изоляции ниже контролируемого значения, контакты реле размыкаются, включение электрооборудования не производится.
Характеристики
Вид изделия
Реле контроля изоляции
Бренд
ЕвроАвтоматика
Способ монтажа
на DIN-рейку
