Описание
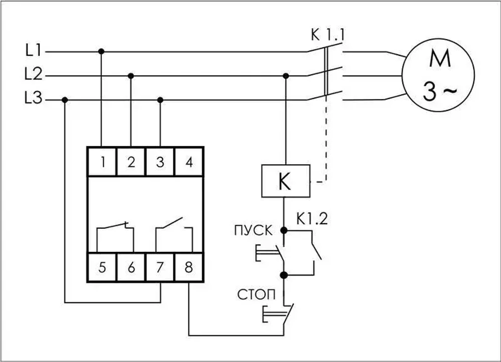
Отличительные особенности: Напряжение 3х400 В, асимметрия 80 В, контроль чередования фаз, задержка отключения 1-10 с, контакт 1NO, 1NC, 8 А. Назначение Реле контроля фаз CKF-11 предназначено для защиты электродвигателей и электроустановок, подключенных к трёхфазной сети, в случаях: отсутствия напряжения хотя бы одной из фаз, асимметрии напряжения, превышения или понижения значения напряжения от номинального, нарушения чередования фаз. Особенности 1.Контроль асимметрии между фазами. 2.Контроль верхнего значения напряжения. 3.Контроль нижнего значения напряжения. 4.Контроль чередования фаз. Область применения Применяется для защиты электродвигателей и электроустановок, питаемых от трехфазной сети. Принцип работы Если напряжение в пределах нормы, контакты исполнительного реле 7, 8 замкнуты и на катушку контактора управления электродвигателем подается напряжение, управляющее его включением. В случае одной из вышеперечисленных аварийных ситуаций контакты реле размыкаются и контактор отключается. Включение происходит автоматически после восстановления сетевого напряжения питания. CKF-11 защищает также от симметричного падения напряжения в фазах.
Характеристики
Вид изделия
Реле контроля фаз
Бренд
ЕвроАвтоматика
Способ монтажа
на DIN-рейку
