Описание
       
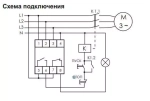
         Отличительные особенности: Асимметрия регулируемая 40-80 В, задержка отключения регулируемая 0,5-15 с, контакт 1NO, 1NC. Контакты реле позволяют выдавать информацию об аварийном отключении. Назначение Реле контроля фаз CZF-BR предназначено для защиты электродвигателей и электроустановок, подключенных к  трёхфазной сети, в случаях: 1. Отсутствия напряжения хотя бы в одной из фаз. 2. Асимметрии напряжения. 3. Обрыва нулевого провода. Особенности 1. Контроль наличия фаз. 2. Контроль асимметрии между фазами. 3. Контроль обрыва нулевого провода. Область применения Применяется для защиты электродвигателей и электроустановок, питаемых от трехфазной сети. Принцип работы Если напряжение в пределах нормы, контакты исполнительного реле 5,6 замкнуты и на катушку контактора управления электродвигателем подается напряжение, управляющее его включением. В случае одной из вышеперечисленных аварийных ситуаций контакты реле размыкаются и контактор отключается. Включение происходит автоматически после  восстановления сетевого  напряжения питания.
       
     Характеристики
       Вид изделия
                     
                     
                       
                         Реле контроля фаз
                       
                     
                   Бренд
                     
                     
                       
                         ЕвроАвтоматика
                       
                     
                   Способ монтажа
                     
                     
                       
                         на DIN-рейку
                       
                     
                    
       
                           
                           
                           
                           
                           
                           
                           
             
             
             
             
             
             
             
             
             
            