Описание
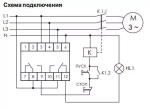
Отличительные особенности: Асимметрия регулируемая 40-80 В, минимальное напряжение 160 В, задержка отключения 3-5 с, контакт 2NO/NC. Назначение Реле контроля фаз CZF-331 предназначено для защиты электродвигателей и электроустановок, подключенных к трёхфазной сети, в случаях: 1. Отсутствия хотя бы одной из фаз. 2. Асимметрии напряжения. 3. Снижения напряжения менее 160 В. 4. Обрыва нулевого провода. Область применения Применяется для защиты электродвигателей и электроустановок, питаемых от трехфазной сети. Особенности 1. Контроль наличия фаз. 2. Контроль асимметрии между фазами. 3. Контроль нижнего значения напряжения. 4. Контроль обрыва нулевого провода. Принцип работы Если напряжение в пределах нормы, контакты исполнительного реле 8-9, 10-11 замкнуты и на катушку контактора управления электродвигателем подается напряжение, управляющее его включением. В случае одной из вышеперечисленных аварийных ситуаций контакты реле размыкаются и контактор отключается. Включение происходит автоматически после восстановления сетевого напряжения питания.
Характеристики
Вид изделия
Реле контроля фаз
Бренд
ЕвроАвтоматика
Способ монтажа
на DIN-рейку
