Описание
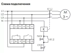
Отличительные особенности: Асимметрия регулируемая 40-80 В, минимальное напряжение 160 В, задержка отключения 0,3 с, контакт 1NO, 1NC. Назначение Реле контроля фаз CZF-312 предназначено для защиты электродвигателей и электроустановок, подключенных к трёхфазной сети, в случаях: 1. Отсутствия напряжения хотя бы в одной из фаз. 2. Асимметрии напряжения. 3. Снижения напряжения менее 160 В. 4. Обрыва нулевого провода. Область применения Применяется для защиты электродвигателей и электроустановок, питаемых от трехфазной сети. Принцип работы Если напряжение в пределах нормы, контакты исполнительного реле 10-12 замкнуты и на катушку контактора управления электродвигателем подается напряжение, управляющее его включением. В случае одной из вышеперечисленных аварийных ситуаций контакты реле размыкаются и контактор отключается. Включение происходит автоматически после восстановления сетевого напряжения питания.
Характеристики
Вид изделия
Реле контроля фаз
Бренд
ЕвроАвтоматика
Способ монтажа
на DIN-рейку
