Описание
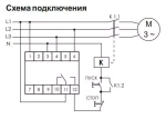
Отличительные особенности: Асимметрия регулируемая 40-80 В, минимальное напряжение 160 В, задержка отключения 3-5 с, контакт 1NO/NC. Контакты реле позволяют выдавать информацию об аварийном отключении Назначение Реле контроля фаз CZF-311 предназначено для защиты электродвигателей и электроустановок, подключенных к трёхфазной сети, в случаях: 1. Отсутствия напряжения хотя бы в одной из фаз. 2. Асимметрии напряжения. 3. Повышения напряжения более 280 В. 4. Снижения напряжения менее 150 В. 5. Обрыва нулевого провода. Область применения Применяется для защиты электродвигателей и электроустановок, питаемых от трехфазной сети. Особенности 1. Контроль наличия фаз. 2. Контроль асимметрии между фазами. 3. Контроль верхнего значения напряжения. 4. Контроль нижнего значения напряжения. 5. Контроль обрыва нулевого провода. Реле измеряет истиное среднеквадратичное значение напряжение (TrueRMS), даже в случае искаженного напряжения питания. Принцип работы Если напряжение в пределах нормы, контакты 11-12 замыкаются, горят светодиоды на панели управления и нагрузка подключается к сети питания. В случае повышения напряжения более 280 В, снижения менее 150 В или асимметрии напряжений выше установленного значения контакты реле размыкаются и контактор отключается. Задержка отключения при асимметрии составляет 4 с, при повышении напряжения выше 280 В или снижении ниже 150 В – 1 с. Включение происходит автоматически после восстановления сетевого напряжения питания с задержкой 4 с.
Характеристики
Вид изделия
Реле контроля фаз
Бренд
ЕвроАвтоматика
Способ монтажа
на DIN-рейку
