Описание
       
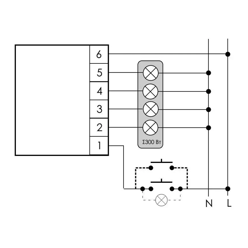
         Отличительные особенности: Для галогенных и ламп накаливания. Функция памяти установленного уровня яркости свечения лампы. Напряжение управления 230 В AС, напряжения питания 230 В АС. Максимальная мощность нагрузки 300 Вт. Назначение Предназначен для включения/выключения, изменения яркости свечения галогенных и ламп накаливания, посредством управления выключателями кнопочного типа (без фиксации). Область применения Применяется на объектах где необходимо регулировать уровень яркости освещения. Особенности -  для управления яркостью свечения ламп накаливания и галогенных ламп; - сохранение в настройках регулятора освещенности установленного уровня яркости свечения источника света при выключении/включении; - возможно подключение выключателей кнопочного типа с подсветкой; - защита от перегрева. Принцип работы Включение/отключение установленного уровня яркости света произойдет после подачи электрического импульса на вход управления регулятора освещенности замыканием выключателя кнопочного типа (без фиксации). Нажатие и удерживание выключателя (более 1 с) изменяет уровень яркости света от минимального до максимального значения. Повторное нажатие и удерживание выключателя (более 1 с) изменяет яркость света от максимального до минимального значения. Выбранный уровень яркости сохраняется в памяти регулятора освещенности. После каждого включения регулятор возвращается к ранее установленной яркости свечения. При пропадании сети питания ранее установленная яркость свечения не сохраняется в памяти регулятора освещенности. С функцией температурной защиты. В случае перегрева, регулятор освещённости сигнализирует об этом трёх кратным миганием управляемой лампы, а затем отключается от сети питания. После охлаждения до температуры ниже критичной, регулятор можно включить повторно.
       
     Характеристики
       Вид изделия
                     
                     
                       
                         Регулятор освещенности,
                       
                         Диммер
                       
                     
                   Бренд
                     
                     
                       
                         ЕвроАвтоматика
                       
                     
                   Способ монтажа
                     
                     
                       
                         Встраиваемый
                       
                     
                    
       
                           
                           
                           
                           
                           
                           
                           
             
             
             
             
             
             
             
             
             
             
             
            